1. 功能简介
表 1.1 产品型号与功能
产品型号 | 视频输入 | MVB 功能 | TRDP 功能 | 供电电压 |
VAI-SAKJ-21T | 支持 30 路网络视频 | 可选 | 支持 | 110V |
1.2 产品特性
• 额定电压:DC110V,供电范围 DC77~137.5V;
• 主控器额定功率:<20W;
• 工作温度范围:-40~70℃;
• 工作湿度: ≤95%;
• 运输和储存温度:-40~85℃; 设备工作温度为-25℃~+70℃。
• 外形尺寸:482*250*55(mm )宽(含挂耳)*深*高 ;
• 采用先进的 ARM+ GPU 硬件架构;
• 具备 2 个 1000Mbps M12 网口;2 个 100MpsTRDP 网口。
• 支持 GB28181、Onvif、RTSP 等视频标准协议,可接入市面主流车载高清监控摄像机 进行智能分析,可接入分辨率 720P 、1080P、4K(3840*2160)等;
• 设备可分析一列车全部车厢高清视频图像;
• 具备良好人机界面,支持 QT 界面配置;
• 设备运行具备高可靠性,整机为无风扇设计结构;
• 设备具有抗振、电磁兼容等方面特性,满足车载使用环境;
2. 系统总体设计
2.1 系统架构

在列车车头、车尾两个司机室各部署一台车载视频分析仪,在列车正常运行中,车载视频分析仪通过车载 PIS 交换机对列车的每一节车厢内客室摄像机与 列车两侧摄像机进行实时分析检测,获取每节车厢乘客异常行为分析,乘客遗留 物、滞留人员、乘客异常行为、车厢外侧夹人、异物卡滞等数据,并将该部分数 据通过车辆内网传输至车载 PIS 系统,以及通过车地无线通道上传给控制中心列 车视频智能分析应用系统服务器。另外相关异常报警信号可通过对应接口推送至 相关联动系统。
2.2 系统功能
系统具备乘客遗留物、滞留人员、乘客异常行为、车厢外侧夹人、异物卡 滞等视频分析功能,并且视频分析功能易于启动和停止,布防和撤防的操作简便, 并能够根据时间设定进行布防和撤防操作。告警产生的同时,视频内容分析进程 应不受报警触发的影响而中断。
2.3 视频数据采集

车载视频分析仪通过 Onvif/RTSP 等协议借由车载 PIS 交换机可对现有车辆全部车载
摄像机中的码流进行实时采集,不限制车载视频分辨率,最高可接入 4K 分辨率相机视 频图像。
2.4 乘客遗留物分析

当车辆到达末站后,经过前期设定的时间阈值或其他系统提供的触发时间后,车
载视频分析仪通过车厢内的监控视频图像,实时检测车厢内的遗留物,并可对列车所有 车厢进行遗留物分析,并能在发现遗留物时,将相关报警信号推送至车载 PIS 系统电 池系统剩余电量(SOC)估算容量测试范围为0%~ 100% ,当电池在充放电工作时, 主机将采集到的电池数据进行实时计算,自动更新电池剩余容量。亿智达遗留物检测 采用基于局部更新的混合高斯背景建模方法和三帧差分法,对所得前景目标 进行比较分析,结合形态学处理、连通域分析、阴影消除等方法,分割得到 暂时静止物体,对每一帧图像采用质心判距法,分别统计每一个物体的静止 时间,对于达到静止时间阈值的物体,通过客流检测算法排除驻留行人的可能性后,标记为遗留物,并在首帧检测出时,检测其局部特征,若后续帧中 遗留物受到人员遮挡干扰,导致前景中不含有前面已检出的遗留物物体,则 针对该区域再次检测局部特征,与首帧所检特征进行匹配,若匹配成功,则 继续保持遗留物报警状态,否则说明遗留物已移动或消失,取消报警状态。算法支持物体尺寸 60*60 像素以上的物体的正确识别,例如、包、旅行箱等。
2.5 滞留人员分析
通过车厢内的监控视频图像,实时检测车厢内的人员逗留状况,并可在 收到开始人员逗留分析指令后开始检测,发现人员逗留时,将相关报警信号推送 至车载 PIS 系统。

2.6 乘客异常行为监测

利用车厢视频摄像机对乘客行为进行分析,可鉴别乘客是否打架斗殴、
佩戴口罩等异常行为,发现乘客异常行为时,将相关报警信号推送至控制中心列 车视频智能分析应用系统服务器和车载 PIS 系统。
2.7 车厢外侧夹人、异物卡滞分析

利用车厢外侧视频摄像机进行分析,可鉴别乘客是否在阻碍车门关闭、异 物卡滞车门等情况,发现异常情况时,发送相关报警信号。
2.8 列车视频智能分析应用系统
列车视频智能分析应用系统部署在控制中心列车视频智能分析应用系统服务器上,实现所有上线列车视频分析数据的接入、显示与转发工作。
1) 接入:列车客流密度数据、列车载客人数数据、司机行为和乘客异常 行为报警画面数据和报警数据等。
2) 显示:平台采用 B/S 架构模式,控制中心相关值班员工作站、分线中 心工作站上将展现所有上线列车实时载客状态,并可通过红、黄、绿 等颜色区分列车不同车厢载客数据,对于司机行为分析和乘客异常行 为,若出现报警则在控制中心/车辆段相关值班员工作站弹窗警示。
3) 转发:列车视频智能分析应用系统具备转发功能,将车载视频分析仪
上传的客流密度数据转发至 PIS 系统服务器。

3. 硬件描述
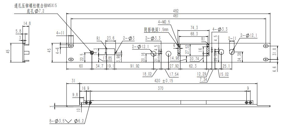
3.1 尺寸信息
尺寸(宽×深×高),设备详细尺寸规格::482*250*55(含挂耳),宽*深*高。



图2.2 尺寸信息 mm
3.2 设备所需接口类型:
3.2.1 电源接口:DC 110V ,3 通道菲尼克斯连接器。3 通道菲尼克斯连接器带法 兰(5.08),型号:FKC 2.5/3-STF-5.08 BD:1-3 -1719558 ,请根据参数匹配相应线端连接器。接口定义如下:
管脚 | 接口信号定义 | 备注 |
1 | DC110V+ | 直流 110V 正 |
2 | DC110V- | 直流 110V 负 |

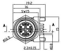
3.2.2 千兆网络接接口:M12 8 芯 X 型,型号: L102-WZ08X02 ,请根据参数选 择匹配的线端连接器。接口定义如下:


管脚 | 接口信号定义 | 备注 |
1 | ETH-BI_DA+ | 千兆以太网第 1 组双向数据正 |
2 | ETH-BI_DA- | 千兆以太网第 1 组双向数据负 |
3 | ETH-BI_DB+ | 千兆以太网第 2 组双向数据正 |
4 | ETH-BI_DB- | 千兆以太网第 2 组双向数据负 |
5 | ETH-BI_DD+ | 千兆以太网第 3 组双向数据正 |
6 | ETH-BI_DD- | 千兆以太网第 3 组双向数据负 |
7 | ETH-BI_DC+ | 千兆以太网第 4 组双向数据正 |
8 | ETH-BI_DC- | 千兆以太网第 4 组双向数据负 |
注:网线的屏蔽层可通过 M12 金属连接器外壳接机壳地
3.2.3 百兆以太网 TRDP 接口
以太网采用双“ D ”型编码的 M12 连接器,M12 连接器具备金属屏蔽外壳。设备端采 用孔式连接器,每个 M12 连接器点位定义如下所示:

引脚号 | 引脚名称 | 引脚含义 |
1 | TD+ | Tranceive Data+ |
2 | RD+ | Receive Data+ |
3 | TD- | Tranceive Data- |
4 | RD- | Receive Data- |
图2.3 以太网接口引脚定义
4. 系统接口
4.1 车载客流密度分析仪需求接口
硬件接口需求:
与车辆的接口:需 DC110V 电源
与车载 PIS 接口:需 M12 千兆/百兆网络接口
与通信的接口:需不低于 500KB 的车地无线带宽,可与地面列 车视频智能分析应用系统平台服务器网络直通
软件接口需求:
与车载 PIS 的接口:需车载 PIS 提供开关门信号,列车号,列 车站点信息(包括当前站、下一站、初始站、终点站以及对应的时间)。 需打通与车载摄像头的视频流网络,给出车载摄像机的视频流 RTSP 地址。